I will offer complete consultancy service for all types of solar system projects
                    
                    
                    
                        Hi, I am Engr MUBASHIR. I am professional Electrical engineer with more than 5 years experience in Solar PV System designing using Sketchup for 3D Modeling, PVSyst & PV sol (premium) & Helioscope use for Simulations and also use AutoCAD Software for 2D and 3D Drawings. I had been working in a solar panel EPC company as a full time engineer and now I work as a freelancer. I started with small scale domestic projects but now I'm more involved with large scale commercial ones. But I'm good at handling both. I can help you with anything related. Please take look at my Gigs without any hesitation.
                    
                    
                    
                    
                        Work Terms
                    
                    
                        I will offer Complete Consultancy Service for all type of Solar System, A team of professional electrical engineers with expertise in the field of Solar PV system is offering services of PV system design for residential, Commercial and industrial consumers with complete calculations and analysis.
Designing of following Systems:
On-grid Solar PV system
Hybrid system
Off-grid Solar PV system
Software we use are mainly
Sketchup Pro
PVSyst
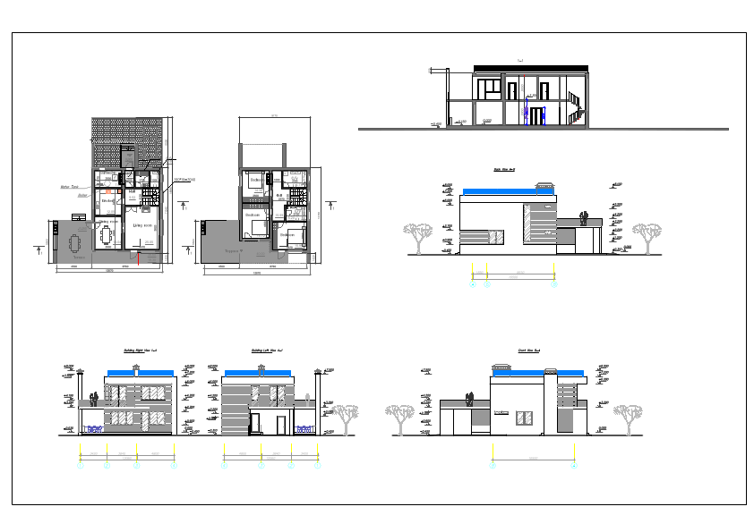
AutoCAD
PV Sol Premium
Helioscope
SAP 2000
Microsoft Visio
Helioscope
Deliverables/Solutions:
Energy demand / load calculations
DC System sizing (No. of Panels & strings)
Orientation of system (tilt/azimuth/facing)
Selection and sizing of Inverters.
Placement location
Electrical design (Sizing of wires, protection, & Earthing equipment)
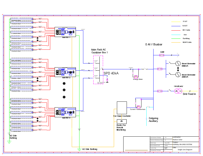
Single line diagrams
Storage systems sizing (Batteries).
Performance analysis of systems.
For efficient system need followings:
1. PV System demand & GPS Coordinates of project site
2. Data sheet of panel, inverters.
3. Handmade drawing and Video of project site
If you are looking for experienced, innovative, and reliable assistance with your solar PV system project, feel free to contact me.
                    
                    
                    
                        Attachments (Click to Preview)
                    
                    
                        
                            
                                    - 
                                        
                                        
                                        
                                             
                                     
                                
                                    - 
                                        
                                        
                                        
                                             
                                     
                                
                                    - 
                                        
                                        
                                        
                                             
                                     
                                
                                    - 
                                        
                                        
                                        
                                             
                                     
                                
                                    - 
                                        
                                        
                                        
                                             
                                     
                                
                                    - 
                                        
                                        
                                        
                                             
                                     
                                
                                    - 
                                        
                                        
                                        
                                             
                                     
                                
                                    - 
                                        
                                        
                                        
                                             
                                     
                                
                                    - 
                                        
                                        
                                        
                                             
                                     
                                
                                    - 
                                        
                                        
                                        
                                             
                                     
                                
                                    -