Banner Image

Skills

  • Calculations
  • Construction
  • Design
  • Drawing
  • Electrical Engineering
  • Engineering
  • Industrial Design
  • Management
  • Microsoft
  • Systems Engineering

Services

  • Professional Engineer (PE) in 47 states

    $150/hr Starting at $500 Ongoing

    Dedicated Resource

    info@AmperEngineering.com Residential Electrical Inspector, Licensed Home Inspector, LEED GA. • MEP Engineering Design of Residential, Industrial and Commercial projects. NEC, NESC, NFPA 70E, IEEE, ANSI...

    CalculationsConstructionDesignDrawingElectrical Engineering

About

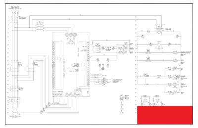
Electrical design, one line, distribution drawing, AutoCAD, short circuit, coordination, layout, load calculation, NEC, electrical distribution panel.

Registered Professional Engineer (PE)
Residential Electrical Inspector (ICC)
Licensed Home Inspector (NY)
LEED GA (U.S. Green Building Council)

Residential, Commercial, Industrial electrical system design.
Electrical distribution drawings, one-line, 3-line drawings in AutoCAD,
Electrical Panel Schedule,
Load Calculation,
Cable and panel sizing,
Bill of Material list,
Estimating,
Layout drawings,
NEC verification,
Review of plans, specifications, drawings, calculations...

I have experience in designing, commissioning and managing of electrical construction projects from 120V to 500kV utility, industrial and commercial projects.
NEC, NESC, NFPA 70E, IEEE, ANSI and NEMA standards. Experience using SKM, Easy Power and AutoCAD.

(NJ, PA, NC,SC and OH Professional Engineering licenses will be available soon)

Work Terms

I will work hourly or per project basis.

Attachments (Click to Preview)